欢迎光临复坦希(上海)电子科技有限公司官网!
uvled固化光源生产厂家— 十多年专注uvled紫外固化事业 —
全国咨询电话:400 860 8900

XYY轴电动对位台 FXYY-250

产品规格:XYY轴系列产品型号:FXYY-250此电动调整架为复坦希公司标准规格,订购量1-100台之间,可在当日发货。订购量大于100台,请联系我们确认货期。

产品详情

XYY轴电动对位台
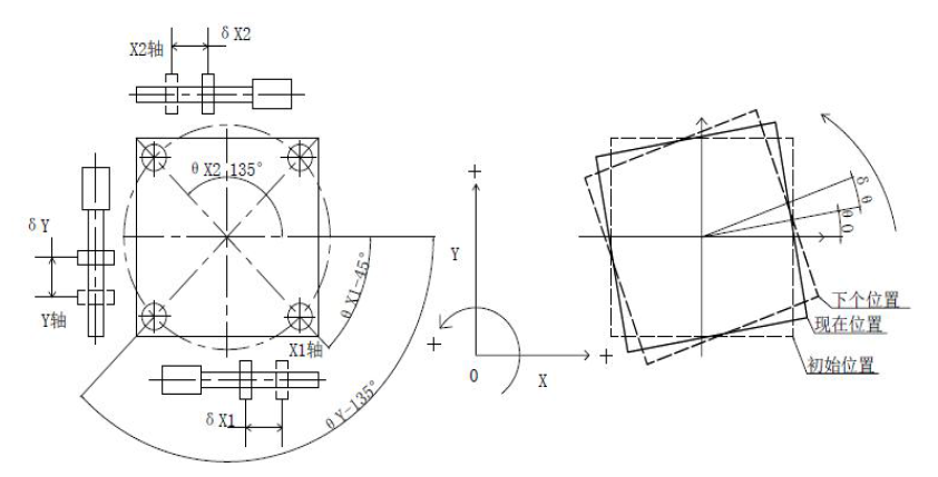
电动对位台工作台面和基座材质可另选S50C、S50C+调质HRC28-32,其表面处理也可做无电解镍或表面黑色处理。
***限行程是以工作台位于中心计算。                                                                                                                             

XYY轴电动对位台
将对位台安装到使用台面时,驱动滑台面,利用底板上螺丝锁紧的方法固定。(以下不是实物图片尽供参考)
XYY轴电动对位台
XYY轴电动对位台
XYY轴电动对位台
XYY轴电动对位台
XYY轴电动对位台
XYY轴电动对位台
XYY轴电动对位台
XYY轴电动对位台
XYY轴电动对位台 FXYY-250(图11)
XYY轴电动对位台
XYY轴电动对位台
XYY轴电动对位台


联系方式

复坦希(上海)电子科技有限公司

电话:400 860 8900

QQ:226218134

电邮:futansi@futansi.com

地址:上海市青浦区华徐公路民兴大道3029弄86号 复坦希电子科技

采购:XYY轴电动对位台 FXYY-250

产品推荐/ RELATED PRODUCTS

在线
客服

在线客服服务时间:8:00-22:00

选择下列服务马上在线沟通:

客服
热线

400 860 8900
400 860 8900

关注
微信

关注官方微信
顶部
FUTANSI-08
FUTANSI-08
已为您复制好微信号,点击进入微信